Data 기반의
뇌과학적 복습 시스템
학습 결과 Data를 분석해, 문제별 최적화된
반복 학습량을
자동으로 분배해요.
학습에 소요되는 시간을 최소화하는
동시에
단기 기억을 장기 기억으로 전환해줘요.
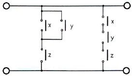
그림과 같은 개폐 접점 회로의 논리식은?
오늘학습은 스스로 기억을 떠올리고 계획적으로 복습할 수 있도록 설계돼 있어요.
그것도, 가장 과학적인 방식으로요!
배운 내용을 단순 읽으며 반복하는 것이 아니라,
능동적으로 기억하고 있는지를
스스로 테스트하며
공부할 수 있는
학습 환경을 제공해 학습 효과를 높여요
에빙하우스 망각곡선을 바탕으로
가장 최적의 시점에 복습을 제공하여
배운 내용이 잊히지 않도록 장기 기억화해요
학습 결과 Data를 분석해, 문제별 최적화된
반복 학습량을
자동으로 분배해요.
학습에 소요되는 시간을 최소화하는
동시에
단기 기억을 장기 기억으로 전환해줘요.
공무원 및 약 300여종의 자격증 시험 기출문제
36만개
이상을 무료로 이용할 수 있어요.
여러 앱을 설치할 필요
없이, 오늘학습 하나로
모든 시험을 준비할 수 있어요.
기출 외에도 외워야 하는 내용은
객관식, 주관식, 카드, 빈칸
등 다양한 형식으로
직접 만들어 보세요. 내 학습 스타일에
맞게
나만의 단어장과 문제집을 만들 수 있어요.
시험에 문제를 추가해 체계적으로
관리할 수 있어요.
주제나 단원별로
분류하고 싶다면,
시험에 챕터를 만들어
문제를 추가할 수도 있어요.