오늘학습 - 컴퓨터시스템기사(A형)
지금 시작하기 →

・・・ 문제은행 컴퓨터시스템기사(A형)(2022년) 60번

컴퓨터시스템기사(A형) 2022년 03월 60번

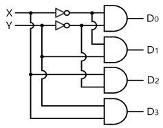
다음 회로의 명칭은?

1
decoder
2
multiplexer
3
encoder
4
shifter
단축키
이전 문제로 이동은 키를 누르고, 다음 문제로 이동은 키를 누르세요
이전 문제 , 다음 문제
문제(100)
61 UNIX에 대한 설명으로 틀린 것은? 62 가상주소와 물리주소의 대응 관계로 가상주소로부터 물리주소를 찾아내는 것을 무엇이라 하는가? 63 파일 시스템의 일반적인 기능이 아닌 것은? 64 UNIX 시스템에서 파일 보호를 위한 그룹별 제어 비트가 다음과 같을 때, 각 기호와 의미의 연결이 옳게 연결된 것은? 65 운영체제의 발달과정을 순서대로 옳게 나열한 것은? 66 3개의 페이지 프레임(Frame)을 가진 기억장치에서 페이지 요청을 다음과 같은 페이지 번호 순으로 요청했을 때 교체 알고리즘으로 FIFO 방법을 사용한다면 몇 번의 페이지 부재(Fault)가 발생하는가? (단, 현재 기억장치는 모두 비어 있다고 가정한다.) 67 프로세스의 상태를 신규, 준비, 실행, 대기, 종료의 5가지로 구분할 때, 현재 실행상태에 있는 프로세스가 입·출력 사건으로 기다려야 하는 상황이 발생할 경우 이후 프로세스의 상태로 옳은 것은? 68 프로세스 상태 변화 중에서 CPU 스케줄링이 필요한 부분은? 69 프로세스 내에서의 작업 단위로서 시스템의 여러 자원을 할당받아 실행하는 프로그램의 단위를 의미하는 것은? 70 페이지 부재가 너무 자주 일어나 프로세스가 실행에 보내는 시간보다 페이지 교체에 보내는 시간이 더 많은 상황을 의미하는 것은? 71 분산시스템의 투명성(transparency)에 관한 설명으로 틀린 것은? 72 운영체제의 성능평가 요인 중 다음 설명에 해당하는 것은?
App Store Google Play
오늘학습 예시 이미지

시험에 합격하려면
복습을 제대로 해야 합니다.

오늘학습은 스스로 기억을 떠올리고 계획적으로 복습할 수 있도록 설계돼 있어요.
그것도, 가장 과학적인 방식으로요!

능동적 회상

능동적 회상
(Active Recall)

배운 내용을 단순 읽으며 반복하는 것이 아니라,
능동적으로 기억하고 있는지를
스스로 테스트하며
공부할 수 있는
학습 환경을 제공해 학습 효과를 높여요

간격 반복 학습

간격 반복 학습
(Spaced Repetition)

에빙하우스 망각곡선을 바탕으로
가장 최적의 시점에 복습을 제공하여
배운 내용이 잊히지 않도록 장기 기억화해요

Data 기반의
뇌과학적 복습 시스템

학습 결과 Data를 분석해, 문제별 최적화된
반복 학습량을
자동으로 분배해요.
학습에 소요되는 시간을 최소화하는
동시에
단기 기억을 장기 기억으로 전환해줘요.

36만 개 이상의
기출문제 무료 제공

공무원 및 약 300여종의 자격증 시험 기출문제
36만개
이상을 무료로 이용할 수 있어요.
여러 앱을 설치할 필요
없이, 오늘학습 하나로
모든 시험을 준비할 수 있어요.

다양한 문제 유형으로 만드는
나만의 단어장&문제집

기출 외에도 외워야 하는 내용은
객관식, 주관식, 카드, 빈칸
등 다양한 형식으로
직접 만들어 보세요. 내 학습 스타일에
맞게
나만의 단어장과 문제집을 만들 수 있어요.

시험별 체계적인
문제 관리

시험에 문제를 추가해 체계적으로
관리할 수 있어요.
주제나 단원별로
분류하고 싶다면,
시험에 챕터를 만들어
문제를 추가할 수도 있어요.

수십만 명이
오늘학습을 사랑합니다

앱 스토어 평점 4.9
구글 플레이 평점 4.8
누적 회원수 100,000+
지금 오늘학습을
시작해보세요
지금 시작하기
문제 선택