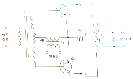
다음 그림과 같은 AM변조 회로는 어떤 변조인가?
지금 시작하기 →

・・・ 문제은행 무선설비기사(2020년 3회) 11번

무선설비기사 2020년 09월 11번

다음 그림과 같은 AM변조 회로는 어떤 변조인가?

1
베이스 변조회로
2
에미터 변조회로
3
트랜지스터 평형 변조회로
4
컬렉터 변조회로
단축키
이전 문제로 이동은 키를 누르고, 다음 문제로 이동은 키를 누르세요
이전 문제 , 다음 문제
문제(100)
13 진폭변조에서 신호파의 진폭이 70, 반송파의 진폭이 100일 때의 변조도는 몇 [%]인가? 14 다음 중 아날로그 신호를 디지털 신호로 변환할 때 양자화 잡음의 경감 대책이 아닌 것은? 15 펄스파에서 낮은 주파수 성분이나 직류분이 잘 통하지 않기 때문에 생기는 것으로 펄스 하강 부분이 낮아진 크기를 무엇이라 하는가? 16 다음 회로의 입력에 정현파를 가했을 때 출력 파형은? 17 다음 회로에서 A, B, C를 입력, X를 출력이라고 하면 회로는 어떤 논리 게이트인가? (단, 정논리 회로이다.) 18 입력 주파수 512[kHz]를 T형 플립플롭 7개 종속 접속한 회로에 인가했을 때 출력 주파수는 얼마인가? 19 비동기식 5진 카운터(Counter)회로는 최소 몇 개의 플립플롭(Flip-Flop)이 필요한가? 20 조합 논리 회로 중 0과 1의 조합으로 부호화를 행하는 회로로 2n개의 입력선과 n개의 출력 선으로 구성된 것은? 21 정보신호가 m(t)=cos(2πfmt)인 정현파를 반송파 fc를 사용하여 DSB-SC 변조하는 경우 변조된 신호의 스펙트럼으로 옳은 것은? 22 수신 주파수가 850[kHz]이고 국부발진주파수가 1,305[kHz]일 때 영상 주파수는 몇 [kHz]인가? 23 진폭변조파의 변조도(m)에 대한 설명 중 틀린 것은? 24 변조도 m=1(100[%])인 경우 SSB(Single Side Band) 송신기의 평균 전력은 DSB-LC(Double Side Band – Large Carrier) 송신기 평균 전력에 비해 어느 정도 소요되는가?
25 주파수가 50[kHz]인 정현파 신호를 100[MHz]의 반송파로 주파수 변조하여 최대 주파수 편이가 500[kHz]로 되었을 경우, 발생된 FM 신호의 대역폭과 FM 변조지수는 각각 얼마인가? 26 FM변조에서 주파수 편이 kf의 값이 매우 작다면 협대역 FM 변조라 한다. 정보신호의 대역폭을 B라 할 때, 협대역 FM 변조한 신호의 대역폭을 근사화한 값은 얼마인가? 27 아래 그림과 같이 FM 변조기를 이용하여 PM 변조를 하고자 한다. 괄호에 들어갈 내용으로 적합한 것을 고르시오. 28 2진 ASK(Amplitude Shift Keying) 신호의 전송속도가 1,200[bps]이면 보[baud]속도는 얼마인가? 29 CPFSK에 대한 설명으로 부적절한 것은? 30 PSK 변조신호는 정보데이터에 따라 반송파의 무엇을 변경하여 얻는가? 31 심볼간격이 T인 펄스신호를 Nyquist 기저대역(Baseband) 채널을 통해 전송하고자 한다. 이 때 요규되는 기저대역 채널대역폭은? 32 24채널의 음성신호를 다중화하는 PCM/TDM이 있다. 각 채널은 6[kHz]로 대역제한 되었다고 한다. 10비트 PCM 부호어를 사용한 경우, 필요한 대역폭은 얼마인가? 33 다음 중 눈다이어그램(Eye Diagram)에 대한 설명으로 틀린 것은? 34 다음 중 충전 종료시 축전지의 상태로 옳은 것은? 35 다음 중 교류성분인 맥동(리플)을 제거함으로써 직류성분만을 얻게 하기 위해 사용하는 회로는 무엇인가? 36 다음 중 전압 변동 요인으로 보기 어려운 것은?
61 다음 중 FM 송신기에서 사용되는 순시주파수편이제어(IDC) 회로에 대한 설명으로 옳은 것은? 62 데이터 속도 4800[bps]인 모뎀에서 4진 PSK를 사용할 때 심볼속도는? 63 다음 중 무선 통신 방식에 해당되지 않는 것은? 64 다음 중 송신측에서 콘볼루션 채널 코딩률을 결정할 때, 수신자의 전파 상태가 좋은 경우 가장 많은 정보 비트를 보낼 수 있는 코딩률은? (단, CC:Convolution Code) 65 다음 중 위성 통신의 특성이 아닌 것은? 66 정지 위성을 중계국으로 하는 지구국의 설비는 안테나와 통신 장치가 필요하다. 이때 이들 기기들을 배치하는 방식은 신호의 전송 형식으로부터 분류되는데 사용되는 전송 방식이 아닌 것은? 67 다음 중 셀룰러 방식에서 기지국의 서비스 지역을 확대시키는 방법이 아닌 것은? 68 다음 표에서 정의하는 기술은 무엇인가? 69 다음 중 국가재난안전통신망인 PS-LTE의 기능 요구사항으로 틀린 것은? 70 DS(Direct Sequence)는 코드분할다중접속(CDMA)을 구현하기 위해 사용되는 대역확산 통신방식 중의 하나이다. 다음 중 DS방식을 수행하기 위해 필요한 구성요소가 아닌 것은? 71 우리나라의 지상파 DMB에 할당된 주파수 대역과, 한 채널당 사용가능한 주파수 블록 개수가 맞게 짝지어진 것은? 72 다음 중 무선 LAN의 특징으로 틀린 것은?
App Store Google Play
오늘학습 예시 이미지

시험에 합격하려면
복습을 제대로 해야 합니다.

오늘학습은 스스로 기억을 떠올리고 계획적으로 복습할 수 있도록 설계돼 있어요.
그것도, 가장 과학적인 방식으로요!

능동적 회상

능동적 회상
(Active Recall)

배운 내용을 단순 읽으며 반복하는 것이 아니라,
능동적으로 기억하고 있는지를
스스로 테스트하며
공부할 수 있는
학습 환경을 제공해 학습 효과를 높여요

간격 반복 학습

간격 반복 학습
(Spaced Repetition)

에빙하우스 망각곡선을 바탕으로
가장 최적의 시점에 복습을 제공하여
배운 내용이 잊히지 않도록 장기 기억화해요

Data 기반의
뇌과학적 복습 시스템

학습 결과 Data를 분석해, 문제별 최적화된
반복 학습량을
자동으로 분배해요.
학습에 소요되는 시간을 최소화하는
동시에
단기 기억을 장기 기억으로 전환해줘요.

36만 개 이상의
기출문제 무료 제공

공무원 및 약 300여종의 자격증 시험 기출문제
36만개
이상을 무료로 이용할 수 있어요.
여러 앱을 설치할 필요
없이, 오늘학습 하나로
모든 시험을 준비할 수 있어요.

다양한 문제 유형으로 만드는
나만의 단어장&문제집

기출 외에도 외워야 하는 내용은
객관식, 주관식, 카드, 빈칸
등 다양한 형식으로
직접 만들어 보세요. 내 학습 스타일에
맞게
나만의 단어장과 문제집을 만들 수 있어요.

시험별 체계적인
문제 관리

시험에 문제를 추가해 체계적으로
관리할 수 있어요.
주제나 단원별로
분류하고 싶다면,
시험에 챕터를 만들어
문제를 추가할 수도 있어요.

수십만 명이
오늘학습을 사랑합니다

앱 스토어 평점 4.9
구글 플레이 평점 4.8
누적 회원수 100,000+
지금 오늘학습을
시작해보세요
지금 시작하기
문제 선택