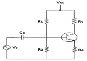
다음 회로에서 Re의 값과 관계가 없는 것은?
지금 시작하기 →

・・・ 문제은행 무선설비산업기사(2019년 1회) 5번

무선설비산업기사 2019년 03월 5번

다음 회로에서 Re의 값과 관계가 없는 것은?

1
Re가 크면 클수록 입력 임피던스는 커진다.
2
Re가 크면 클수록 안정계수 S는 적어진다.
3
Re가 크면 클수록 증폭된 컬렉터 전류는 적어진다.
4
Re가 크면 클수록 전압 증폭도는 커진다.
단축키
이전 문제로 이동은 키를 누르고, 다음 문제로 이동은 키를 누르세요
이전 문제 , 다음 문제
문제(80)
37 포락선 검파기에서 Diagonal Clipping이 발생하는 이유로 가장 적합한 것은? 38 다음 중 무선 송신기의 신호대잡음비(S/N) 측정시 필요하지 않은 측정기는? 39 어떤 시스템의 출력 전력이 20[dBm]이면 이 시스템의 출력 전력은 몇 [mW]인가? 40 오실로스코프를 이용하여 다음 회로의 부하 저항 양단의 파형을 측정하였다. 만일 D3의 리드가 단선되었을 때 출력파형은 어떻게 되겠는가? (단, Vi=Vmsin(ωt)이다.) 41 비유전율(εs)이 4이고 비투자율(μs)이 1인 매질 내를 전파하는 전자파의 속도는 자유공간을 전파할 때와 비교하여 몇 배의 속도가 되는가? 42 자유 공간에서 단위 면적을 단위 시간에 통과하는 전파 에너지가 3[μW/m2]이었다. 이때 자유공간의 전계강도는 약 얼마인가? 43 λ/4 수직 안테나의 길이가 5[m]일 때 전파의 주파수는? 44 다음 중 안테나의 도파관에 금속봉(Stub)을 삽입하는 이유로서 바르게 설명된 것은? 45 다음 중 스미스 도표를 사용하여 구할 수 없는 것은? 46 가로 10[cm], 세로 5[cm]의 구형 도파관을 TELSUB10로 사용할 때 사용 파장이 1500[MHz]인 경우 위상 속도?(오류 신고가 접수된 문제입니다. 반드시 정답과 해설을 확인하시기 바랍니다.) 47 다음 중 마이크로파대 주파수의 전송선로로 도파관을 사용하는 이유가 아닌 것은? 48 다음 중 도파관의 손실 및 전송 가능한 주파수 범위를 결정하는 요소가 아닌 것은?
App Store Google Play
오늘학습 예시 이미지

시험에 합격하려면
복습을 제대로 해야 합니다.

오늘학습은 스스로 기억을 떠올리고 계획적으로 복습할 수 있도록 설계돼 있어요.
그것도, 가장 과학적인 방식으로요!

능동적 회상

능동적 회상
(Active Recall)

배운 내용을 단순 읽으며 반복하는 것이 아니라,
능동적으로 기억하고 있는지를
스스로 테스트하며
공부할 수 있는
학습 환경을 제공해 학습 효과를 높여요

간격 반복 학습

간격 반복 학습
(Spaced Repetition)

에빙하우스 망각곡선을 바탕으로
가장 최적의 시점에 복습을 제공하여
배운 내용이 잊히지 않도록 장기 기억화해요

Data 기반의
뇌과학적 복습 시스템

학습 결과 Data를 분석해, 문제별 최적화된
반복 학습량을
자동으로 분배해요.
학습에 소요되는 시간을 최소화하는
동시에
단기 기억을 장기 기억으로 전환해줘요.

36만 개 이상의
기출문제 무료 제공

공무원 및 약 300여종의 자격증 시험 기출문제
36만개
이상을 무료로 이용할 수 있어요.
여러 앱을 설치할 필요
없이, 오늘학습 하나로
모든 시험을 준비할 수 있어요.

다양한 문제 유형으로 만드는
나만의 단어장&문제집

기출 외에도 외워야 하는 내용은
객관식, 주관식, 카드, 빈칸
등 다양한 형식으로
직접 만들어 보세요. 내 학습 스타일에
맞게
나만의 단어장과 문제집을 만들 수 있어요.

시험별 체계적인
문제 관리

시험에 문제를 추가해 체계적으로
관리할 수 있어요.
주제나 단원별로
분류하고 싶다면,
시험에 챕터를 만들어
문제를 추가할 수도 있어요.

수십만 명이
오늘학습을 사랑합니다

앱 스토어 평점 4.9
구글 플레이 평점 4.8
누적 회원수 100,000+
지금 오늘학습을
시작해보세요
지금 시작하기
문제 선택