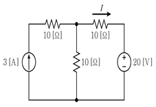
그림의 회로에서 전류 I[A]는?
지금 시작하기 →

・・・ 문제은행 9급 지방직 공무원 전기이론(2024년) 11번

9급 지방직 공무원 전기이론 2024년 06월 11번

그림의 회로에서 전류 I[A]는?

1
-1
2
-0.5
3
0.5
4
1
단축키
이전 문제로 이동은 키를 누르고, 다음 문제로 이동은 키를 누르세요
이전 문제 , 다음 문제
문제(20)
1 어떤 회로의 양단에 걸리는 전압 v(t)[V]와 그 전압의 양의(+) 단자로 들어가는 전류 i(t)[A]가 다음과 같이 주어질 때, 평균전력[W]은? 2 그림의 회로에서 종단전압 V0[V]는? 3 전선 내부의 전하량 q[C]가 다음과 같을 때, t=0 인 순간의 전류[A]는? 4 [V/m]로 표시되는 전계가 분포한 공간에서 0.1[μC]의 전하를 원점으로부터 [m]로 움직이는 데 필요한 일[J]의 크기는? 5 그림과 같이 거리 d=1[m]만큼 떨어진 무한히 긴 두 개의 평행도선 중 도선 A에 IA=1[A]의 전류가 +z 방향으로 흐르고 있다. 이때, 도선 B에 1[A]의 전류 IB를 인가한 경우에 발생하는 현상으로 옳지 않은 것은? (단, 진공투자율 μo=4π×10-7[H/m]이다) 6 그림과 같이 토로이드 자성체에 코일을 500회 감고 0.3[A]의 전류를 흘릴 때, 자성체 내부의 자속[Wb]은? (단, 자성체의 자기저항은 0.25×105[H-1]이고, 누설자속은 없다) 7 어떤 회로에서 부하의 전압 v(t)[V]와 전류 i(t)[A]의 그래프가 그림과 같을 때, 이에 대한 설명으로 옳지 않은 것은? (단, 전압과 전류는 정현파이고 주파수는 동일하다) 8 그림과 같은 임피던스를 갖는 부하 Z에 100[V], 60[Hz]의 전원을 연결할 때, 부하의 전류[A]는? (단, 전압의 크기는 실횻값이고, 위상은 0°이며 은 36.9°이다) 9 정현파 전원이 인가된 회로의 단자 전압과 전류가 각각 , 로 표시된다. 이에 대한 설명으로 옳은 것은? (단, Veff와 Ieff는 전압과 전류의 실횻값이다) 10 임피던스에 대한 설명으로 옳지 않은 것은? (단, ω는 각주파수[rad/s]이다) 11 그림의 회로에서 전류 I[A]는? 12 3상 Y결선 역률 0.8인 부하회로에 상전압 500[V]를 인가할 때 전체 소비전력이 1,200[W]이면, 상당 부하 임피던스의 크기[Ω]는? (단, 전압은 실횻값이다)
App Store Google Play
오늘학습 예시 이미지

시험에 합격하려면
복습을 제대로 해야 합니다.

오늘학습은 스스로 기억을 떠올리고 계획적으로 복습할 수 있도록 설계돼 있어요.
그것도, 가장 과학적인 방식으로요!

능동적 회상

능동적 회상
(Active Recall)

배운 내용을 단순 읽으며 반복하는 것이 아니라,
능동적으로 기억하고 있는지를
스스로 테스트하며
공부할 수 있는
학습 환경을 제공해 학습 효과를 높여요

간격 반복 학습

간격 반복 학습
(Spaced Repetition)

에빙하우스 망각곡선을 바탕으로
가장 최적의 시점에 복습을 제공하여
배운 내용이 잊히지 않도록 장기 기억화해요

Data 기반의
뇌과학적 복습 시스템

학습 결과 Data를 분석해, 문제별 최적화된
반복 학습량을
자동으로 분배해요.
학습에 소요되는 시간을 최소화하는
동시에
단기 기억을 장기 기억으로 전환해줘요.

36만 개 이상의
기출문제 무료 제공

공무원 및 약 300여종의 자격증 시험 기출문제
36만개
이상을 무료로 이용할 수 있어요.
여러 앱을 설치할 필요
없이, 오늘학습 하나로
모든 시험을 준비할 수 있어요.

다양한 문제 유형으로 만드는
나만의 단어장&문제집

기출 외에도 외워야 하는 내용은
객관식, 주관식, 카드, 빈칸
등 다양한 형식으로
직접 만들어 보세요. 내 학습 스타일에
맞게
나만의 단어장과 문제집을 만들 수 있어요.

시험별 체계적인
문제 관리

시험에 문제를 추가해 체계적으로
관리할 수 있어요.
주제나 단원별로
분류하고 싶다면,
시험에 챕터를 만들어
문제를 추가할 수도 있어요.

수십만 명이
오늘학습을 사랑합니다

앱 스토어 평점 4.9
구글 플레이 평점 4.8
누적 회원수 100,000+
지금 오늘학습을
시작해보세요
지금 시작하기
문제 선택