오늘학습 - 소방설비기사(전기분야)
지금 시작하기 →

・・・ 문제은행 소방설비기사(전기분야)(2021년 3회) 22번

소방설비기사(전기분야) 2021년 09월 22번

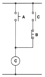
시퀀스회로를 논리식으로 표현하면?

1
2
3
4
단축키
이전 문제로 이동은 키를 누르고, 다음 문제로 이동은 키를 누르세요
이전 문제 , 다음 문제
문제(80)
25 회로에서 a와 b 사이의 합성저항(Ω)은? 26 1개의 용량의 25W인 객석유도등 10개가 설치되어 있다. 이 회로에 흐르는 전류는 약 몇 A 인가? (단, 전원 전압은 220V이고, 기타 선로손실 등은 무시한다.) 27 PD(비례 미분) 제어 동작의 특징으로 옳은 것은? 28 회로에서 저항 20Ω에 흐르는 전류(A)는? 29 1cm의 간격을 둔 평행 왕복전선에 25A의 전류가 흐른다면 전선 사이에 작용하는 단위 길이당 힘(N/m)은? 30 0.5 kVA의 수신기용 변압기가 있다. 이 변압기의 철손은 7.5W이고, 전부하동손은 16W 이다. 화재가 발생하여 처음 2시간은 전부하로 운전되고, 다음 2시간은 1/2의 부하로 운전되었다고 한다. 4시간에 걸친 이 변압기의 전손실 전력량은 몇 Wh 인가? 31 테브난의 정리를 이용하여 그림 (a)의 회로를 그림 (b)와 같은 등가회로로 만들고자 할 때 Vth(V)와 Rth(Ω)은? 32 블록선도에서 외란 D(s)의 입력에 대한 출력 C(s)의 전달함수 는? 33 회로에서 전압계 Ⓥ가 지시하는 전압의 크기는 몇 V 인가? 34 지시계기에 대한 동작원리가 아닌 것은? 35 선간전압의 크기가 100√3 V인 대칭 3상 전원에 각 상의 임피던스가 Z = 30 + j40(Ω)인 Y결선의 부하기 연결되었을 때 이 부하로 흐르는 선전류(A)의 크기는? 36 자유공간에서 무한히 넓은 평면에 면전하밀도 σ(C/m2)가 균일하게 분포되어 있는 경우 전계의 세기(E)는 몇 V/m 인가? (단, ε0는 진공의 유전율이다.)
37 50Hz의 주파수에서 유도성 리액턴스가 4Ω인 인덕터와 용량성 리액턴스가 1Ω인 커패시터와 4Ω의 저항이 모두 직렬로 연결되어 있다. 이 회로에 100V, 50Hz의 교류전압을 인가했을 때 무효전력(var)은? 38 다음의 단상 유도전동기 중 기동 토크가 가장 큰 것은? 39 무한장 솔레노이드에서 자계의 세기에 대한 설명으로 틀린 것은? 40 다음의 논리식을 간소화하면? 41 다음 위험물안전관리법령의 자체소방대 기준에 대한 설명으로 틀린 것은? 42 위험물안전관리법령상 제조소등에 설치하여야 할 자동화재탐지설비의 설치기준 중 ( ) 안에 알맞은 내용은? (단, 광전식분리형 감지기 설치는 제외한다.) 43 소방시설공사업법령상 전문 소방시설공사업의 등록기준 및 영업범위의 기준에 대한 설명으로 틀린 것은? 44 화재예방, 소방시설 설치·유지 및 안전관리에 관한 법령상 특정소방대상물의 관계인이 특정소방대상물의 규모·용도 및 수용인원 등을 고려하여 갖추어야 하는 소방시설의 종류에 대한 기준 중 다음 ( ) 안에 알맞은 것은? 45 화재예방, 소방시설 설치·유지 및 안전관리에 관한 법령상 천재지변 및 그 밖에 대통령령으로 정하는 사유로 소방특별조사를 받기 곤란하여 소방특별조사의 연기를 신청하려는 자는 소방특별조사 시작 최대 며칠 전까지 연기신청서 및 증명서류를 제출해야 하는가? 46 위험물안전관리법령상 정기점검의 대상인 제조소등의 기준으로 틀린 것은? 47 위험물안전관리법령상 제4류 위험물 중 경유의 지정수량은 몇 리터인가? 48 화재예방, 소방시설 설치·유지 및 안전관리에 관한 법령상 1급 소방안전관리대상물의 소방안전관리자 선임대상 기준 중 ( ) 안에 알맞은 내용은?
49 화재예방, 소방시설 설치·유지 및 안전관리에 관한 법령상 용어의 정의 중 ( ) 안에 알맞은 것은? 50 소방기본법 제1장 총칙에서 정하는 목적의 내용으로 거리가 먼 것은? 51 소방기본법령상 소방본부 종합상황실의 실장이 서면·팩스 또는 컴퓨터통신 등으로 소방청 종합상황실에 보고하여야 하는 화재의 기준이 아닌 것은? 52 화재예방, 소방시설 설치·유지 및 안전관리에 관한 법령상 관리업자가 소방시설등의 점검을 마친 후 점검기록표에 기록하고 이를 해당 특정소방대상물에 부착하여야 하나 이를 위반하고 점검기록표를 거짓으로 작성하거나 해당 특정소방대상물에 부착하지 아니하였을 경우 벌칙 기준은? 53 화재예방, 소방시설 설치·유지 및 안전관리에 관한 법령상 분말형태의 소화약제를 사용하는 소화기의 내용연수로 옳은 것은? (단, 소방용품의 성능을 확인받아 그 사용기한을 연장하는 경우는 제외한다.) 54 소방시설공사업법령상 소방시설공사업자가 소속 소방기술자를 소방시설공사 현장에 배치하지 않았을 경우의 과태료 기준은? 55 소방기본법령상 위험물 또는 물건의 보관기간은 소방본부 또는 소방서의 게시판에 공고하는 기간의 종료일 다음 날부터 며칠로 하는가? 56 소방기본법령상 소방활동장비와 설비의 구입 및 설치 시 국조보조의 대상이 아닌 것은? 57 화재예방, 소방시설 설치·유지 및 안전관리에 관한 법령상 특정소방대상물의 관계인은 소방안전관리자를 기준일로부터 30일 이내에 선임하여야 한다. 다음 중 기준일로 틀린 것은? 58 위험물안전관리법령상 위험물을 취급함에 있어서 정전기가 발생할 우려가 있는 설비에 설치할 수 있는 정전기 제거설비 방법이 아닌 것은? 59 소방기본법령상 특수가연물의 수량 기준으로 옳은 것은? 60 화재예방, 소방시설 설치·유지 및 안전관리에 관한 법령상 소방청장, 소방본부장 또는 소방서장이 소방특별조사를 하려면 관계인에게 조사대상, 조사기간 및 조사사유 등을 최대 며칠 전에 서면으로 알려야 하는가? (단, 긴급하게 조사할 필요가 있는 경우와 사전에 통지하면 조사목적을 달성할 수 없다고 인정되는 경우는 제외한다.)
61 감지기의 형식승인 및 제품검사의 기술기준에 따라 단독경보형감지기를 스위치 조작에 의하여 화재경보를 정지 시킬 경우 화재경보 정지 후 몇 분 이내에 화재경보 정지기능이 자동적으로 해제되어 정상상태로 복귀되어야 하는가? 62 비상콘센트설비의 화재안전기준(NFSC 504)에 따라 하나의 전용회로에 설치하는 비상콘센트는 몇 개 이하로 하여야 하는가? 63 자동화재속보설비의 속보기의 성능인증 및 제품검사의 기술기준에 따라 속보기는 작동신호를 수신하거나 수동으로 동작시키는 경우 20초 이내에 소방관서에 자동적으로 신호를 발하여 통보하되, 몇 회 이상 속보할 수 있어야 하는가? 64 자동화재탐지설비 및 시각경보장치의 화재안전기준(NFSC 203)에 따른 감지기의 설치 제외 장소가 아닌 것은? 65 비상콘센트의 배치와 설치에 대한 현장 사항이 비상콘센트설비의 화재안전기준(NFSC 504)에 적합하지 않은 것은? 66 자동화재탐지설비 및 시각경보장치의 화재안전기준(NFSC 203)에 따라 제2종 연기감지기를 부착높이가 4m 미만인 장소에 설치 시 기준 바닥면적은? 67 아래 그림은 자동화재탐지설비의 배선도이다. 추가로 구획된 공간이 생겨 가, 나, 다, 라 감지기를 증설했을 경우, 자동화재탐지설비 및 시각경보장치의 화재안전기준(NFSC 203)에 적합하게 설치한 것은? 68 비상방송설비의 화재안전기준(NFSC 202)에 따라 비상방송설비 음향장치의 설치기준 중 다음 ( ) 에 들어갈 내용으로 옳은 것은? 69 유도등의 형식승인 및 제품검사의 기술기준에 따른 용어의 정의에서 “유도등에 있어서 표시면외 조명에 사용되는 면”을 말하는 것은? 70 자동화재탐지설비 및 시각경보장치의 화재안전기준(NFSC 203)에 따라 부착높이 20m 이상에 설치되는 광전식 분 아날로그방식의 감지기는 공칭감지농도 하한값이 감광율 몇 %/m 미만인 것으로 하는가? 71 비상조명등의 우수품질인증 기술기준에 따라 인출선인 경우 전선의 굵기는 몇 mm2 이상이어야 하는가? 72 누전경보기의 형식승인 및 제품검사의 기술기준에 따른 과누전시험에 대한 내용이다. 다음 ( ) 에 들어갈 내용으로 옳은 것은?
73 비상방송설비의 화재안전기준(NFSC 202)에 따른 비상방송설비의 음향장치에 대한 설치기준으로 틀린 것은? 74 무선통신보조설비의 화재안전기준(NFSC 505)에 따른 용어의 정의 중 감시제어반 등에 설치된 무선중계기의 입력과 출력포트에 연결되어 송수신 신호를 원활하게 방사·수신하기 위해 옥외에 설치하는 장치를 말하는 것은? 75 무선통신보조설비의 화재안전기준(NFSC 505)에 따라 무선통신보조설비의 누설동축케이블 또는 동축케이블의 임피던스는 몇 Ω으로 하여야 하는가? 76 비상경보설비 및 단독경보형감지기의 화재안전기준(NFSC 201)에 따른 단독경보형감지기에 대한 내용이다. 다음 ( )에 들어갈 내용으로 옳은 것은? 77 소방시설용 비상전원수전설비의 화재안전기준(NFSC 602)에 따른 용어의 정의에서 소방부하에 전원을 공급하는 전기회로를 말하는 것은? 78 누전경보기의 형식승인 및 제품검사의 기술기준에 따라 누전경보기의 변류기는 직류 500V의 절연저항계로 절연된 1차권선과 2차권선 간의 절연저항 시험을 할 때 몇 MΩ 이상이어야 하는가? 79 소방시설용 비상전원수전설비의 화재안전기준(NFSC 602)에 따라 소방시설용 비상전원 수전설비의 인입구배선은 「옥내소화전설비의 화재안전기준(NFSC 102)」 별표 1에 따른 어떤 배선으로 하여야 하는가? 80 유도등 및 유도표지의 화재안전기준(NFSC 303)에 따라 설치하는 유도표지는 계단에 설치하는 것을 제외하고는 각층마다 복도 및 통로의 각 부분으로부터 하나의 유도표지까지의 보행거리가 몇 m 이하가 되는 곳과 구부러진 모퉁이의 벽에 설치하여야 하는가?
App Store Google Play
오늘학습 예시 이미지

시험에 합격하려면
복습을 제대로 해야 합니다.

오늘학습은 스스로 기억을 떠올리고 계획적으로 복습할 수 있도록 설계돼 있어요.
그것도, 가장 과학적인 방식으로요!

능동적 회상

능동적 회상
(Active Recall)

배운 내용을 단순 읽으며 반복하는 것이 아니라,
능동적으로 기억하고 있는지를
스스로 테스트하며
공부할 수 있는
학습 환경을 제공해 학습 효과를 높여요

간격 반복 학습

간격 반복 학습
(Spaced Repetition)

에빙하우스 망각곡선을 바탕으로
가장 최적의 시점에 복습을 제공하여
배운 내용이 잊히지 않도록 장기 기억화해요

Data 기반의
뇌과학적 복습 시스템

학습 결과 Data를 분석해, 문제별 최적화된
반복 학습량을
자동으로 분배해요.
학습에 소요되는 시간을 최소화하는
동시에
단기 기억을 장기 기억으로 전환해줘요.

36만 개 이상의
기출문제 무료 제공

공무원 및 약 300여종의 자격증 시험 기출문제
36만개
이상을 무료로 이용할 수 있어요.
여러 앱을 설치할 필요
없이, 오늘학습 하나로
모든 시험을 준비할 수 있어요.

다양한 문제 유형으로 만드는
나만의 단어장&문제집

기출 외에도 외워야 하는 내용은
객관식, 주관식, 카드, 빈칸
등 다양한 형식으로
직접 만들어 보세요. 내 학습 스타일에
맞게
나만의 단어장과 문제집을 만들 수 있어요.

시험별 체계적인
문제 관리

시험에 문제를 추가해 체계적으로
관리할 수 있어요.
주제나 단원별로
분류하고 싶다면,
시험에 챕터를 만들어
문제를 추가할 수도 있어요.

수십만 명이
오늘학습을 사랑합니다

앱 스토어 평점 4.9
구글 플레이 평점 4.8
누적 회원수 100,000+
지금 오늘학습을
시작해보세요
지금 시작하기
문제 선택