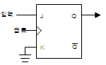
J-K플립플롭을 이용하여 T플립플롭을 구현한 것으로 옳은 것은?
지금 시작하기 →

・・・ 문제은행 정보통신산업기사(2023년 2회) 5번

정보통신산업기사 2023년 06월 5번

J-K플립플롭을 이용하여 T플립플롭을 구현한 것으로 옳은 것은?

1
2
3
4
단축키
이전 문제로 이동은 키를 누르고, 다음 문제로 이동은 키를 누르세요
이전 문제 , 다음 문제
문제(80)
1 다음 중 DPCM 송신기의 구성 요소가 아닌 것은? 2 4진 PSK의 반송파 간의 위상차는 몇도인가? 3 다음 중 분리된 별도의 클록 신호선 없이 본래 정보 신호의 소스데이터에서 동기화 클록을 추출할 수 있는 라인 코드는 무엇인가? 4 수정 발진회로에서 수정 진동자의 전기적 직렬 공진 주파수를 fs, 병렬 공진 주파수를 fp라 할 때, 가장 안정된 발진을 하기 위한 조건은?(단, fo는 발진주파수이다.) 5 J-K플립플롭을 이용하여 T플립플롭을 구현한 것으로 옳은 것은? 6 다음 식과 같이 주어지는 논리식을 불 대수를 적용하여 간략화한 것은? 7 다음 중 연선의 커에블 외부 피복에 실드의 망을 감싸고 있는 케이블로 외부의 잡음 차폐와 접지 역할을 하는 케이블로 전기적 신호의 간선에 강한 케이블은? 8 동축케이블이 꼬임 쌍선 구리 케이블에 비해 잡음에 강한 이유로 가장 적합한 것은? 9 다음 중 전파의 발생에 대한 설명으로 틀린 것은? 10 4,800[bps] 전송속도로 30분간 데이터를 전송하였을 때 최대 비트 에러율이 2×10-5이었다면 에러 발생 비트 수는 몇 비트인가? 11 다음 중 비디오 신호 전송 시 발생하는 오류수정 기술인 FEC(Forward Error Correction) 에러제어 방식에 대한 설명으로 틀린 것은? 12 다음 데이터의 전송방식 중 혼합형 동기식 방식에 대한 설명으로 옳은 것은?
61 다음 중 메모리 소자인 DRAM의 설명으로 틀린 것은? 62 다음 중 일반 범용 컴퓨터 시스템에 사용되는 기억장치의 접근속도가 빠른 것부터 차례대로 나열된 것은? 63 다음 중 일반 범용 컴퓨터에서 입출력장치와 같은 주변장치는 중앙처리장치에 비해 처리속도가 느리기 때문에 발생하는 대기시간을 줄이기 위해 고안한 기법은? 64 다음 중 일반 범용 컴퓨터에서 선택된 입출력 장치의 입출력 동작이 완료될 때까지 어느 한 입/출력 장치의 전용인 것처럼 운영되는 채널은? 65 다음 중 32비트 컴퓨터에서 8[Full Word]와 6[Nibble]은 각각 몇 비트인가? 66 프로그램 개발 시 소프트웨어 위험관리에서 정성적 위험분석 시 위험값을 계산하기 위한 요인으로 맞는 것은? 67 현재 메모리의 분할 상태가 다음과 같을 때, 크기가 100[KB]인 작업을 최적적합(Best Fit) 기법에 의해 할당한다면 어느 위치에 적재되는가? 68 사설 IP를 사용하여 인터넷에 접속할 때 공인 IP 주소와 상호변환하는 역할을 하는 것은? 69 IP주소 203.10.24.27이고 호스트의 마스크는 255.255.255.240이다. 이 서브넷에서 사용 가능한 호스트의 주소는 몇 개인가?(네트워크 주소와 브로드캐스트 주소 포함) 70 다음 중 네트워크상을 흘러 다니는 트래픽을 엿보는 보안공격은? 71 다음 보기의 설명에 대한 보안기술은 무엇인가? 72 다음 중 시스템간에 데이터를 옮기기 위한 데이터 전환 계획에 대한 설명응로 틀린 것은?
App Store Google Play
오늘학습 예시 이미지

시험에 합격하려면
복습을 제대로 해야 합니다.

오늘학습은 스스로 기억을 떠올리고 계획적으로 복습할 수 있도록 설계돼 있어요.
그것도, 가장 과학적인 방식으로요!

능동적 회상

능동적 회상
(Active Recall)

배운 내용을 단순 읽으며 반복하는 것이 아니라,
능동적으로 기억하고 있는지를
스스로 테스트하며
공부할 수 있는
학습 환경을 제공해 학습 효과를 높여요

간격 반복 학습

간격 반복 학습
(Spaced Repetition)

에빙하우스 망각곡선을 바탕으로
가장 최적의 시점에 복습을 제공하여
배운 내용이 잊히지 않도록 장기 기억화해요

Data 기반의
뇌과학적 복습 시스템

학습 결과 Data를 분석해, 문제별 최적화된
반복 학습량을
자동으로 분배해요.
학습에 소요되는 시간을 최소화하는
동시에
단기 기억을 장기 기억으로 전환해줘요.

36만 개 이상의
기출문제 무료 제공

공무원 및 약 300여종의 자격증 시험 기출문제
36만개
이상을 무료로 이용할 수 있어요.
여러 앱을 설치할 필요
없이, 오늘학습 하나로
모든 시험을 준비할 수 있어요.

다양한 문제 유형으로 만드는
나만의 단어장&문제집

기출 외에도 외워야 하는 내용은
객관식, 주관식, 카드, 빈칸
등 다양한 형식으로
직접 만들어 보세요. 내 학습 스타일에
맞게
나만의 단어장과 문제집을 만들 수 있어요.

시험별 체계적인
문제 관리

시험에 문제를 추가해 체계적으로
관리할 수 있어요.
주제나 단원별로
분류하고 싶다면,
시험에 챕터를 만들어
문제를 추가할 수도 있어요.

수십만 명이
오늘학습을 사랑합니다

앱 스토어 평점 4.9
구글 플레이 평점 4.8
누적 회원수 100,000+
지금 오늘학습을
시작해보세요
지금 시작하기
문제 선택