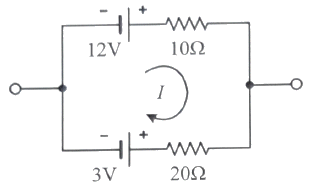
그림과 같은 회로에 흐르는 전류 I(A)는?
지금 시작하기 →

・・・ 문제은행 승강기기사(2020년 2회) 68번

승강기기사 2020년 08월 68번

그림과 같은 회로에 흐르는 전류 I(A)는?

1
0.3
2
0.6
3
0.9
4
1.2
단축키
이전 문제로 이동은 키를 누르고, 다음 문제로 이동은 키를 누르세요
이전 문제 , 다음 문제
문제(80)
1 초고층 빌딩 등에서 중간의 승계층까지 직행 왕복운전 하여 대량수송을 목적으로 하는 엘리베이터는? 2 레일을 죄는 힘이 처음에는 약하게 작용하고 하강함에 따라 점점 강해지다가 얼마 후 일정한 값에 도달하는 추락방지안전장치(비상정지장치) 방식은? 3 무빙워크의 경사도는 최대 몇 도 이하이어야 하는가? 4 전기식 엘리베이터의 매다는 장치(현수장치)에 대한 설명으로 틀린 것은? 5 유압파워 유니트에서 실린더로 통하는 압력배관 도중에 설치되는 수동밸브로서 이것을 닫으면 실린더의 기름이 파워유니트로 역류하는 것을 방지하는 것으로 유압장치의 보수, 점검 또는 수리 등을 할 때 사용되는 밸브는? 6 주차구획에 자동차를 들어가도록 한 후 그 주차구획을 수직으로 순환이동하여 자동차를 주차하도록 설계한 주차장치로 평균 입·출고 시간이 가장 빠른 입체주차설비 방식은? 7 유압식 엘리베이터의 경우 실린더 및 램은 전부하 압력의 2.3배의 압력에서 발생되는 힘의 조건하에서 내력 Rp0.2에서 몇 이상의 안전율이 보장되는 방법으로 설계되어야 하는가? 8 엘리베이터의 카 벽으로 사용할 수 있는 유리는? 9 카 내부의 하중이 적재하중을 초과하면 경보가 울리고 출입문의 닫힘을 자동적으로 제지하여 엘리베이터가 움직이지 않게 하는 장치는? 10 엘리베이터의 위치별 전기조명의 조도 기준으로 틀린 것은? 11 장애인용 엘리베이터에서 스위치 수가 많아 1.2m 이내에 설치가 곤란할 경우에는 최대 몇 m 이하까지 완화할 수 있는가? 12 로프와 시브(sheave)의 미끄러짐에 대한 설명으로 옳은 것은?
13 엘리베이터용 주행안내(가이드) 레일에 대한 설명으로 틀린 것은? 14 사람이 출입할 수 없도록 정격하중이 300kg 이하이고, 정격속도가 1m/s 이하인 엘리베이터는? 15 에너지 분산형 완충기는 카에 정격하중을 싣고 정격속도의 115%의 속도로 자유 낙하하여 완충기에 충돌할 때, 평균 감속도가 최대 얼마 이하이어야 하는가? 16 유압식 엘리베이터에서 미리 설정된 방향으로 설정치를 초과한 상태로 과도하게 유체의 흐름이 증가하여 밸브를 통과하는 압력이 떨어지는 경우 자동으로 차단하도록 설계된 밸브는? 17 완충기의 보기 쉬운 곳에 쉽게 지워지지 않는 방법으로 표시되어야 하는 내용이 아닌 것은? 18 교류 엘리베이터의 제어방식은? 19 엘리베이터의 VVVF 인버터 제어에 주로 사용되는 제어방식은? 20 에스컬레이터의 특징에 대한 설명으로 틀린 것은? 21 기계대 강도 계산 시 기계대에 작용하는 하중에 포함되지 않는 것은? 22 설계용 수평지진력의 작용점은 일반적인 경우에 기기의 어느 부분으로 산정하여 계산하는가? 23 웜기어에서 웜의 회전수가 1800rpm, 웜의 줄수가 5, 웜 휠의 회전수가 360rpm일 때, 웜 휠의 잇수는? 24 유압식 엘리베이터에서 실린더와 체크밸브 또는 하강밸브 사이의 가요성 호스는 전 부하 압력 및 파열 압력과 관련하여 안전율이 몇 이상이어야 하는가?
25 장애인용 엘리베이터의 호출버튼·조작반 등 승강기의 안팎에 설치되는 모든 스위치의 높이는 바닥면으로부터 어느 위치에 설치되어야 하는가? 26 엘리베이터용 도어머신의 요구사항이 아닌 것은? 27 동력전원설비 용량을 산정하는데 필요한 요소가 아닌 것은? 28 전기자에 전류가 흐르면 그 전류에 대한 자속이 발생해 주자극의 자속에 영향을 미쳐 주자속이 감소하고, 전기자 중성점이 이동하는 현상은? 29 유압식 엘리베이터에서 유량제어밸브를 주회로에서 분기된 바이패스회로에 삽입하여 유량을 제어하는 회로는? 30 밀폐식 승강로에서 허용되는 개구부가 아닌 것은? 31 소선의 표면에 아연도금 처리한 것으로 녹이 쉽게 발생하지 않기 때문에 다습한 환경에 사용하는 와이어로프 종류는? 32 승용승강기의 설치기준에 따라 6층 이상 거실면적의 합계가 9000m2 인 전시장에 20인승 엘리베이터를 설치할대 최소 설치 대수는? 33 엘리베이터가 다음과 같은 조건일 때, 무부하 및 전부하 시 각각의 트랙션비는 약 얼마인가? 34 엘리베이터가 출발층에서 출발한 후 서비스를 끝내고 다시 출발층으로 돌아오는 시간이 30초이고, 승객수는 10명일 때, 5분간 수송능력은 얼마인가? 35 승강장문 근처의 승강장에 있는 자연조명 또는 인공조명은 카 조명이 꺼지더라도 이용자가 엘리베이터에 탑승하기 위해 승강장문이 열릴 때 미리 앞을 볼 수 있도록 바닥에서 몇 lx 이상이어야 하는가? 36 기계실 작업구역의 유효 높이는 몇 m 이상이어야 하는가?
37 그림과 같이 기어 A, B가 맞물려 있을 때, 수식이 틀린 것은? (단, D1, D2는 피치원 지름, N1, N2는 회전수, V1, V2는 원주 속도, Z1, Z2는 잇수, L은 중심거리이다.) 38 60Hz, 6극 유도전동기의 슬립이 3% 이다. 이 전동기의 회전속도는 몇 rpm 인가? 39 피트 바닥은 전 부하 상태의 카가 완충기에 작용하였을 때 카 완충기 지지대 아래에 부과되는 정하중의 몇 배를 지지할 수 있어야 하는가? 40 카 천장에 비상구출문이 설치된 경우, 유효 개구부의 크기는 몇 이상이어야 하는가? 41 다음 그림과 같은 타원형 단면을 갖는 봉이 인장하중(P)을 받을 때, 작용하는 인장응력은? 42 두 기어가 맞물려 돌 때 잇수가 너무 적거나 잇수차가 현저히 클 때, 한쪽 기어의 이뿌리를 간섭하여 회전을 방해하는 현상을 방지하기 위한 방법으로 틀린 것은? 43 디퓨저(diffuser) 펌프, 벌류트(volute) 펌프가 포함되는 펌프 종류는? 44 비틀림 모멘트를 받는 원형 단면축에 발생되는 최대전단응력에 관한 설명으로 옳은 것은? 45 마이크로미터로 측정할 수 없는 것은? 46 바이스, 잭, 프레스 등과 같이 힘을 전달하거나 부품을 이동하는 기구용에 적절하지 않은 나사는? 47 다음 중 피복아크 용접에서 언더 컷(under cut)이 가장 많이 나타나는 용접 조건은? 48 그림과 같이 중앙에 집중 하중을 받고 있는 단순 지지보의 최대 굽힘응력은 몇 kPa 인가? (단, 보의 폭은 3cm이고, 높이가 5cm 인 직사각형 단면이다.)
App Store Google Play
오늘학습 예시 이미지

시험에 합격하려면
복습을 제대로 해야 합니다.

오늘학습은 스스로 기억을 떠올리고 계획적으로 복습할 수 있도록 설계돼 있어요.
그것도, 가장 과학적인 방식으로요!

능동적 회상

능동적 회상
(Active Recall)

배운 내용을 단순 읽으며 반복하는 것이 아니라,
능동적으로 기억하고 있는지를
스스로 테스트하며
공부할 수 있는
학습 환경을 제공해 학습 효과를 높여요

간격 반복 학습

간격 반복 학습
(Spaced Repetition)

에빙하우스 망각곡선을 바탕으로
가장 최적의 시점에 복습을 제공하여
배운 내용이 잊히지 않도록 장기 기억화해요

Data 기반의
뇌과학적 복습 시스템

학습 결과 Data를 분석해, 문제별 최적화된
반복 학습량을
자동으로 분배해요.
학습에 소요되는 시간을 최소화하는
동시에
단기 기억을 장기 기억으로 전환해줘요.

36만 개 이상의
기출문제 무료 제공

공무원 및 약 300여종의 자격증 시험 기출문제
36만개
이상을 무료로 이용할 수 있어요.
여러 앱을 설치할 필요
없이, 오늘학습 하나로
모든 시험을 준비할 수 있어요.

다양한 문제 유형으로 만드는
나만의 단어장&문제집

기출 외에도 외워야 하는 내용은
객관식, 주관식, 카드, 빈칸
등 다양한 형식으로
직접 만들어 보세요. 내 학습 스타일에
맞게
나만의 단어장과 문제집을 만들 수 있어요.

시험별 체계적인
문제 관리

시험에 문제를 추가해 체계적으로
관리할 수 있어요.
주제나 단원별로
분류하고 싶다면,
시험에 챕터를 만들어
문제를 추가할 수도 있어요.

수십만 명이
오늘학습을 사랑합니다

앱 스토어 평점 4.9
구글 플레이 평점 4.8
누적 회원수 100,000+
지금 오늘학습을
시작해보세요
지금 시작하기
문제 선택