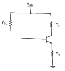
다음 트랜지스터의 바이어스 회로에서 IB, IC, VCE는 얼마인가? (단, VBE = 0.7[V], VCC= 10[V], Rb = 200[kΩ], Re = 2[kΩ], Rc = 1[kΩ], hfe = 100)
지금 시작하기 →

・・・ 문제은행 통신선로산업기사(2022년) 7번

통신선로산업기사 2022년 03월 7번

다음 트랜지스터의 바이어스 회로에서 IB, IC, VCE는 얼마인가? (단, VBE = 0.7[V], VCC= 10[V], Rb = 200[kΩ], Re = 2[kΩ], Rc = 1[kΩ], hfe = 100)

1
IB = 46.2[μA], IC= 4.61[mA], VCE = 3[V]
2
IB = 23.1[μA], IC= 23[mA], VCE = 4[V]
3
IB = 18[μA], IC= 1.89[mA], VCE = 0.7[V]
4
IB = 23.1[μA], IC= 2.31[mA], VCE = 3[V]
단축키
이전 문제로 이동은 키를 누르고, 다음 문제로 이동은 키를 누르세요
이전 문제 , 다음 문제
문제(80)
1 정전압 회로의 입력전압을 Vi, 출력전압 Vo, 부하전류를 Io라 하면, 안정화 지수 S는 어떻게 표시되는가? 2 다음의 중간 탭형 변압기용 전파정류회로에서 다이오드 한 개가 개방되면 출력은 어떻게 되는가? 3 다음 중 L형 평활회로가 비교한 C형 평활회로의 특성을 바르게 나타낸 것은? 4 다음 중 C급 증폭기의 특징이 아닌 것은? 5 CR결합 증폭기에서 주파수특성은 저역, 중역 및 고역 대역으로 분류된다. 1단 CR결합 증폭기에서 중역전압이득 Avm = 100이고, 입력 RC 회로망의 저역 차단 주파수가 1[kHz]이다. 주파수 1[kHz]에서의 저역전압이득 Avl을 구하면 약 몇 [V] 인가? 6 다음 중 송신기의 주파수 체배증폭기 및 RF 전력증폭기 등으로 주로 사용되는 것은? 7 다음 트랜지스터의 바이어스 회로에서 IB, IC, VCE는 얼마인가? (단, VBE = 0.7[V], VCC= 10[V], Rb = 200[kΩ], Re = 2[kΩ], Rc = 1[kΩ], hfe = 100) 8 다음의 비안정 NE555회로에서 발진기의 출력(Vout) 듀티사이클 50[%] 미만으로 만들기 위한 조건으로 알맞은 것은? 9 다음 중 FET 증폭회로의 응용으로 적합한 것은? 10 다음 그림은 원 브리지 발진기의 블록도이다. 발진하기 위한 저항 R2의 값은? (단, 발진을 위한 개방루프 이득은 3) 11 다음 중 위상변조(PM)에 대한 설명으로 옳은 것은? 12 진폭변조에서 반송파 전압이 5[V], 신호파 전압이 2[V]인 경우 변조도(m)는?
37 IEEE 표준으로 정한 기준상 LAN 배선공사시 1,000[Mbps] 이더넷 통신에서 사용하면 안되는 케이블은? 38 전송량의 단위 가운데 전송량의 이득, 감쇄를 입력과 출력에 대한 자연 대수로 표현한 단위는? 39 광섬유 특징에 대한 설명으로 틀린 것은? 40 광섬유에서 광원으로부터 송출된 파워의 측정값은 –20[dBm]이고, Fiber Link를 거쳐서 송출된 파워가 –23[dBm] 일 때 손실(loss)값은? 41 특정한 시외 전화 회선의 개방 임피던스가 30[Ω]이고 단락 임피던스가 120[Ω]이라고 할 때 이 회선의 특성 임피던스는? 42 전송선로의 위상정수 π/2[rad/m]이고 그 때의 주파수가 10[MHz] 일 때, 파장(λ) 및 전파속도(v)는 각각 얼마인가? 43 감쇠량 최소 조건에서의 2차정소를 표시하는 식으로 틀린 것은? 44 광대역정보통신을 구현하기 위해 회선교환과 패킷교환의 유연성을 통합시킨 비동기식전달모드 ATM(Asynchronous Transter Mode)의 기본 셀(Cell) 은 몇 바이트(Byte)인가? 45 다음 중 동기식 전송방식의 특징으로 틀린 것은? 46 1분에 36[KB]를 전송할 수 있는 정보통신시스템의 전송속도는 몇 [bps] 인가? 47 다음 중 케이블 구조 및 형태에 따른 구분이 틀린 것은? 48 우리나라는 동축케이블 형식 기호 '5C2V'로 케이블의 특성을 알 수 있다. 이때 절연방식(폴리에틸렌 충실)을 나타내는 기호는?
App Store Google Play
오늘학습 예시 이미지

시험에 합격하려면
복습을 제대로 해야 합니다.

오늘학습은 스스로 기억을 떠올리고 계획적으로 복습할 수 있도록 설계돼 있어요.
그것도, 가장 과학적인 방식으로요!

능동적 회상

능동적 회상
(Active Recall)

배운 내용을 단순 읽으며 반복하는 것이 아니라,
능동적으로 기억하고 있는지를
스스로 테스트하며
공부할 수 있는
학습 환경을 제공해 학습 효과를 높여요

간격 반복 학습

간격 반복 학습
(Spaced Repetition)

에빙하우스 망각곡선을 바탕으로
가장 최적의 시점에 복습을 제공하여
배운 내용이 잊히지 않도록 장기 기억화해요

Data 기반의
뇌과학적 복습 시스템

학습 결과 Data를 분석해, 문제별 최적화된
반복 학습량을
자동으로 분배해요.
학습에 소요되는 시간을 최소화하는
동시에
단기 기억을 장기 기억으로 전환해줘요.

36만 개 이상의
기출문제 무료 제공

공무원 및 약 300여종의 자격증 시험 기출문제
36만개
이상을 무료로 이용할 수 있어요.
여러 앱을 설치할 필요
없이, 오늘학습 하나로
모든 시험을 준비할 수 있어요.

다양한 문제 유형으로 만드는
나만의 단어장&문제집

기출 외에도 외워야 하는 내용은
객관식, 주관식, 카드, 빈칸
등 다양한 형식으로
직접 만들어 보세요. 내 학습 스타일에
맞게
나만의 단어장과 문제집을 만들 수 있어요.

시험별 체계적인
문제 관리

시험에 문제를 추가해 체계적으로
관리할 수 있어요.
주제나 단원별로
분류하고 싶다면,
시험에 챕터를 만들어
문제를 추가할 수도 있어요.

수십만 명이
오늘학습을 사랑합니다

앱 스토어 평점 4.9
구글 플레이 평점 4.8
누적 회원수 100,000+
지금 오늘학습을
시작해보세요
지금 시작하기
문제 선택