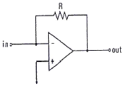
연산 증폭기(operational amplifier) 회로를 사용하여 작업전극에 흐르는 전류(current)신호를 전압(voltage) 신호로 변환시켜 측정하고자 한다. 가장 적절한 회로는?
지금 시작하기 →

・・・ 문제은행 화학분석기사(구)(2019년 1회) 64번

화학분석기사(구) 2019년 03월 64번

연산 증폭기(operational amplifier) 회로를 사용하여 작업전극에 흐르는 전류(current)신호를 전압(voltage) 신호로 변환시켜 측정하고자 한다. 가장 적절한 회로는?

1
2
3
4
단축키
이전 문제로 이동은 키를 누르고, 다음 문제로 이동은 키를 누르세요
이전 문제 , 다음 문제
문제(80)
13 배의 철 표면이 녹스는 것을 방지하기 위하여 종종 마그네슘 판을 붙인다. 이 작업을 하는 이유는? 14 아세톤의 다른 명칭으로서 옳은 것은? 15 산소가 20mol%, 질소가 30mol%, 수소가 50mol%로 구성된 기채 혼합물의 평균 분자량은 얼마인가? 16 헬륨의 원자량은 4.0 이다. 헬륨원자 1g속에 들어있는 원자의 개수는 몇 개인가? 17 아보가드로의 수에 대한 설명 중 옳지 않은 것은? 18 다음 두 반응의 평형상수 K값은 온도가 증가하면 어떻게 되는가? 19 0.10M NaCI 용액 20mL에 0.20M AgNO3 용액 20mL를 첨가하였다. 이 때 생성되는 염 AgCI의 용해도(g/L)는? (단, AgCI의 Ksp=1.0 × 10-10 분자량은 143이다.) 20 C6H14의 분자식을 가지는 화합물은 몇 가지 구조이성질체가 가능한가? 21 13.58g의 tris(hydroxymethyl) aminomethane(분자량=121.14)와 5.03g의 tris hydrochloride(분자량=157.60)를 혼합한 수용액 1.00L에 1.00M염산 10.0mL을 첨사하였을 때의 pH는 약 얼마인가? (단, tris 짝산의 pKa = 8.072이다.) 22 산-연기 적정에서 사용하는 지시약이 용액속에서 다음과 같이 해리한다고 한다. 만일 이 용액에 산을 첨가하여 용액의 액성을 산성이 되게 했다면 용액의 색깔은 어느 쪽으로 변화하는가? 23 EDTA 적정에 사용되는 xylenol orange 와 같은 금속이온 지시약의 일번적인 특징의 아닌 것은? 24 pka가 5인 약산(HA) 1M 용액의 pH에 가장 가까운 것은?
49 원자 흡수분광법에서의 방해 중 스펙트럼 방해는 화학종의 흡수띠 또는 방출선이 분석선에 가까이 있거나 겹쳐서 발생한다. 스펙트럼 방해에 대한 설명으로 틀린 것은? 50 투광도가 0.010인 용액의 흡광도는 얼마인가? 51 ㉮직경이 5.0cm이고 초점거리가 15.0인 렌즈 A의 스피드(f-number)와 ㉯직경이 30.0cm 이고 초점거리가 15.0cm인 렌즈 B의 스피드를 계산하고, ㉰이 둘의 집광력을 비교한 것은? 52 자외선-가시선 흡수 분광법에서 사용하는 파장범위는? 53 전형적인 분광기기의 구성장치가 아닌 것은? 54 자외선-가시선 흡수분광법에서 일반적으로 사용되는 광원의 종류가 아닌 것은? 55 다음 어떤 경우에 원자가 가시광선 및 자외선 빛을 방출하는가? 56 정량분석 시 반드시 필요한 표준몰 검정법 중 매트릭스 효과가 있을 가능성이 있는 복잡한 시료를 분석할 때 특히 유용한 방법은? 57 l2 에탄올(CH3CH2OH)에 용해시켜 밀도가 0.8g/cm3인 용액을 제조하였다. 이 용액을 폭이 1.5cm인 셀에 넣고 Mo의 Ka 광원의 복사선을 투과시키니, 그 투과도가 25.0%였다. I, C, H, O의 각각의 질량흡수계수(cm2/g)가 차례로 39.0, 0.70, 0.00, 0.50이라 할 때 이 용액의 l2함량을 구한 결과 가장 근사치인 것은? (단, 용매에 의한 흡수도는 매우 낮으므로 무시한다.) 58 에틸알콜의 NMR 스펙트럼에서 메틸기의 다중선 수는? 59 다음 중 NMR 용매로 가장 적합한 것은? 60 원자 방출분광법의 유도쌍플라스마 광원에 대한 설명으로 틀린 것은?
App Store Google Play
오늘학습 예시 이미지

시험에 합격하려면
복습을 제대로 해야 합니다.

오늘학습은 스스로 기억을 떠올리고 계획적으로 복습할 수 있도록 설계돼 있어요.
그것도, 가장 과학적인 방식으로요!

능동적 회상

능동적 회상
(Active Recall)

배운 내용을 단순 읽으며 반복하는 것이 아니라,
능동적으로 기억하고 있는지를
스스로 테스트하며
공부할 수 있는
학습 환경을 제공해 학습 효과를 높여요

간격 반복 학습

간격 반복 학습
(Spaced Repetition)

에빙하우스 망각곡선을 바탕으로
가장 최적의 시점에 복습을 제공하여
배운 내용이 잊히지 않도록 장기 기억화해요

Data 기반의
뇌과학적 복습 시스템

학습 결과 Data를 분석해, 문제별 최적화된
반복 학습량을
자동으로 분배해요.
학습에 소요되는 시간을 최소화하는
동시에
단기 기억을 장기 기억으로 전환해줘요.

36만 개 이상의
기출문제 무료 제공

공무원 및 약 300여종의 자격증 시험 기출문제
36만개
이상을 무료로 이용할 수 있어요.
여러 앱을 설치할 필요
없이, 오늘학습 하나로
모든 시험을 준비할 수 있어요.

다양한 문제 유형으로 만드는
나만의 단어장&문제집

기출 외에도 외워야 하는 내용은
객관식, 주관식, 카드, 빈칸
등 다양한 형식으로
직접 만들어 보세요. 내 학습 스타일에
맞게
나만의 단어장과 문제집을 만들 수 있어요.

시험별 체계적인
문제 관리

시험에 문제를 추가해 체계적으로
관리할 수 있어요.
주제나 단원별로
분류하고 싶다면,
시험에 챕터를 만들어
문제를 추가할 수도 있어요.

수십만 명이
오늘학습을 사랑합니다

앱 스토어 평점 4.9
구글 플레이 평점 4.8
누적 회원수 100,000+
지금 오늘학습을
시작해보세요
지금 시작하기
문제 선택