리액턴스 함수가 로 표시되는 리액턴스 2단자망은?
지금 시작하기 →

・・・ 문제은행 전자기사(2019년 1회) 33번

전자기사 2019년 03월 33번

리액턴스 함수가 로 표시되는 리액턴스 2단자망은?

1
2
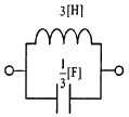
3
4
단축키
이전 문제로 이동은 키를 누르고, 다음 문제로 이동은 키를 누르세요
이전 문제 , 다음 문제
문제(100)
1 접지된 구도체와 점전하 간에 작용하는 힘은? 2 사이클로트론에서 양자가 매초 3×1015 개의 비율로 가속되어 나오고 있다. 양자가 15MeV의 에너지를 가지고 있다고 할 때, 이 사이클로트론은 가속용 고주파 전계를 만들기 위해서 150kW의 전력을 필요로 한다면 에너지 효율(%)은? 3 단면적 4cm2의 철심에 6×10-4Wb의 자속을 통하게 하려면 2800AT/m의 자계가 필요하다. 이 철심의 비투자율은 약 얼마인가? 4 진공 중에서 무한장 직선도체에 선전하밀도 ρL=2π × 10-3C/m가 균일하게 분포된 경우 직선도체에서 2m와 4m떨어진 두 점사이의 전위차는 몇 V 인가? 5 평행판 콘덴서의 극판 사이에 유전율 ε, 저항률 ρ인 유전체를 삽입하였을 때, 두 전극간의 저항 R과 정전용량 C의 관계는? 6 맥스웰방정식 중 틀린 것은? 7 다음의 관계식 중 성립할 수 없는 것은? (단, μ는 투자율, χ는 자화율, μ0는 진공의 투자율, J는 자화의 세기이다.) 8 자기회로의 자기저항에 대한 설명으로 옳은 것은? 9 균일한 자장 내에 놓여 있는 직선도선에 전류 및 길이를 각각 2배로 하면 이 도선에 작용하는 힘은 몇 배가 되는가? 10 와류손에 대한 설명으로 틀린 것은? (단, f : 주파수, Bm : 최대자속밀도, t : 두께, ρ : 저항률이다.) 11 그림과 같이 전류가 흐르는 반원형 도선이 평면 Z=0 상에 놓여 있다. 이 도선이 자속밀도 B = 0.6ax - 0.5ay + az(Wb/m2)인 균일 자계 내에 놓여 있을 때 도선의 직선 부분에 작용하는 힘(N)은? 12 서로 다른 두 유전체사이의 경계면에 전하분포에 없다면 경계면 양쪽에서의 전계 및 전속밀도는?
13 환상철심에 권수 3000회 A코일과 권수 200회 B코일이 감겨져 있다. A코일의 자기인덕턴스가 360mH일 때 A, B 두 코일의 상호 인덕턴스는 몇 mH 인가? (단, 결합계수는 1이다.) 14 평행판 콘덴서에 어떤 유전체를 넣었을 때 전속밀도가 2.4 × 10-7C/m2이고, 단위 체적중의 에너지가 5.3 × 10-3J/m3이었다. 이 유전체의 유전율은 약 몇 F/m인가? 15 대전된 도체의 특징으로 틀린 것은? 16 평행한 두 도선간의 전자력은? (단, 두 도선간의 거리는 r(m)라 한다.) 17 원형 선전류 I(A)의 중심축상 점 P의 자위(A)를 나타내는 식은? (단, θ는 점 P에서 원형전류를 바라보는 평면각이다.) 18 비투자율 μs=1, 비유전율 εs=90인 매질 내의 고유임피던스는 약 몇 Ω 인가? 19 q(C)의 전하가 진공 중에서 v(m/s)의 속도로 운동하고 있을 때, 이 운동방향과 θ의 각으로 r(m) 떨어진 점의 자계의 세계(AT/m)는? 20 x > 0인 영역에 비유전율 εr1=3인 유전체, x < 0인 영역에 비유전율 εr2=5인 유전체가 있다. x < 0 인 영역에서 전계 E2 = 20ax + 30ay-40az V/m일 때 x > 0 인 영역에서의 전속밀도는 몇 C/m2 인가? 21 다음과 같은 L-C 회로의 구동점 임피던스로 옳은 것은? (단, L1=L2=1H, C1=C2=1F 이다.) 22 정현파에서 평균치가 Iav, 실효치가 I 일 때 평균치와 실효치 사이의 관계는? 23 시정수 τ를 갖는 R-L 직렬 회로에 직류 전압을 인가할 때 t=2τ 가 되는 시간에 회로에 흐르는 전류는 최종값의 몇 % 가 되는가? 24 다음 그림에 표시한 여파기는?
73 반도체의 성질에 대한 설명으로 틀린 것은? 74 수소원자에서 원자핵 주위를 돌고 있는 전자가 에너지 준위 E1 = -5.4×10-13(erg)상태에서, 에너지 준위 E2 = -21.7×10-12(erg)상태로 천이할 때 내는 빛의 진동수는 약 얼마인가? (단, Planck 상수 h = 6.63×10-27erg·sec이다.)(문제 오류로 가답안 발표시 2번으로 발표되었지만 확정답안 발표시 모두 정답처리 되었습니다. 여기서는 가답안인 2번을 누르면 정답 처리 됩니다.) 75 JFET의 특성곡선에 대한 설명으로 틀린 것은? 76 광전자 방출에 대한 설명으로 틀린 것은? 77 이미터접지 증폭회로에서 베이스전류를 10㎂에서 20㎂로 증가시켰을 때, 컬렉터 전류의 변화량은? (단, β = 100이다.) 78 실온에서 Si 진성반도체의 고유저항은 약 얼마인가? (단, 실온에서 n = 1400cm2/V·sec, p = 600cm2/V·sec, ni = 1.5×1010개/cm3 이다.) 79 도체, 반도체, 절연체의 에너지 대역에 관한 설명으로 틀린 것은? 80 정상 동작 상태로 바이어스 된 NPN 트랜지스터에 컬렉터 접합을 통과하는 주된 전류는? 81 데이터 버스 폭이 32비트이고, 버스 클럭 주파수가 10MHz 일 때 버스 대역폭은? 82 RISC에 대한 설명으로 틀린 것은? 83 C 언어가 높은 호환성을 갖는 이유가 아닌 것은? 84 다음과 같은 명령어 형식을 만들기 위해 요구되는 명령의 최소 비트(bit)는?
App Store Google Play
오늘학습 예시 이미지

시험에 합격하려면
복습을 제대로 해야 합니다.

오늘학습은 스스로 기억을 떠올리고 계획적으로 복습할 수 있도록 설계돼 있어요.
그것도, 가장 과학적인 방식으로요!

능동적 회상

능동적 회상
(Active Recall)

배운 내용을 단순 읽으며 반복하는 것이 아니라,
능동적으로 기억하고 있는지를
스스로 테스트하며
공부할 수 있는
학습 환경을 제공해 학습 효과를 높여요

간격 반복 학습

간격 반복 학습
(Spaced Repetition)

에빙하우스 망각곡선을 바탕으로
가장 최적의 시점에 복습을 제공하여
배운 내용이 잊히지 않도록 장기 기억화해요

Data 기반의
뇌과학적 복습 시스템

학습 결과 Data를 분석해, 문제별 최적화된
반복 학습량을
자동으로 분배해요.
학습에 소요되는 시간을 최소화하는
동시에
단기 기억을 장기 기억으로 전환해줘요.

36만 개 이상의
기출문제 무료 제공

공무원 및 약 300여종의 자격증 시험 기출문제
36만개
이상을 무료로 이용할 수 있어요.
여러 앱을 설치할 필요
없이, 오늘학습 하나로
모든 시험을 준비할 수 있어요.

다양한 문제 유형으로 만드는
나만의 단어장&문제집

기출 외에도 외워야 하는 내용은
객관식, 주관식, 카드, 빈칸
등 다양한 형식으로
직접 만들어 보세요. 내 학습 스타일에
맞게
나만의 단어장과 문제집을 만들 수 있어요.

시험별 체계적인
문제 관리

시험에 문제를 추가해 체계적으로
관리할 수 있어요.
주제나 단원별로
분류하고 싶다면,
시험에 챕터를 만들어
문제를 추가할 수도 있어요.

수십만 명이
오늘학습을 사랑합니다

앱 스토어 평점 4.9
구글 플레이 평점 4.8
누적 회원수 100,000+
지금 오늘학습을
시작해보세요
지금 시작하기
문제 선택