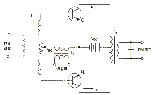
다음 그림과 같은 AM변조 회로는 어떤 변조인가?
지금 시작하기 →

・・・ 문제은행 전파전자통신기사(2020년 2회) 11번

전파전자통신기사 2020년 09월 11번

다음 그림과 같은 AM변조 회로는 어떤 변조인가?

1
베이스 변조회로
2
애미터 변조회로
3
트랜지스터 평형 변조회로
4
컬렉터 변조회로
단축키
이전 문제로 이동은 키를 누르고, 다음 문제로 이동은 키를 누르세요
이전 문제 , 다음 문제
문제(100)
13 진폭변조에서 신호파의 진폭이 70, 반송파의 진폭이 100일 때의 변조도는 몇 [%]인가? 14 다음 중 아날로그 신호를 디지털 신호로 변환할 때 양자화 잡음의 경감 대책이 아닌 것은? 15 펄스파에서 낮은 주파수 성분이나 직류분이 잘 통하지 않기 때문에 생기는 것으로 펄스 하강 부분이 낮아진 크기를 무엇이라 하는가? 16 다음 회로의 입력에 정현파를 가했을 때 출력 파형은? 17 다음 회로에서 A, B, C를 입력, X를 출력이라고 하면 회로는 어떤 논리 게이트인가? (단, 정논리 회로이다.) 18 입력 주파수 512[kHz]를 T형 플립플롭 7개 종속 접속한 회로에 인가 했을 때 출력 주파수는 얼마인가? 19 비동기식 5진 카운터(Counter) 회로는 최소 몇 개의 플립플롭(Flip-Flop)이 필요한가? 20 조합 논리 회로 중 0과 1의 조합으로 부호화를 행하는 회로로 2n개의 입력선과 n개의 출력 선으로 구성된 것은? 21 고전력 변조 방식의 dab송신기는 변조를 다음 중 어느 단에서 수행하는가? 22 수신주파수가 700[kHz]이고, 중간주파수가 455[kHz]인 수퍼헤테로다인수신기가 10[kHz]의 대역폭을 갖는 신호를 수신할 때 영상신호의 주파수는 몇 [kHz]인가? 23 DSB 변조에서 정현파로 변조된 피변조파의 변조도(m)가 0.6이고, 반송파의 평균전력(Pc)이 1,000[W]일 때 피변조파의 전력은? 24 다음 중 직교주파수분할(OFDM)에 대한 설명으로 틀린 것은?
App Store Google Play
오늘학습 예시 이미지

시험에 합격하려면
복습을 제대로 해야 합니다.

오늘학습은 스스로 기억을 떠올리고 계획적으로 복습할 수 있도록 설계돼 있어요.
그것도, 가장 과학적인 방식으로요!

능동적 회상

능동적 회상
(Active Recall)

배운 내용을 단순 읽으며 반복하는 것이 아니라,
능동적으로 기억하고 있는지를
스스로 테스트하며
공부할 수 있는
학습 환경을 제공해 학습 효과를 높여요

간격 반복 학습

간격 반복 학습
(Spaced Repetition)

에빙하우스 망각곡선을 바탕으로
가장 최적의 시점에 복습을 제공하여
배운 내용이 잊히지 않도록 장기 기억화해요

Data 기반의
뇌과학적 복습 시스템

학습 결과 Data를 분석해, 문제별 최적화된
반복 학습량을
자동으로 분배해요.
학습에 소요되는 시간을 최소화하는
동시에
단기 기억을 장기 기억으로 전환해줘요.

36만 개 이상의
기출문제 무료 제공

공무원 및 약 300여종의 자격증 시험 기출문제
36만개
이상을 무료로 이용할 수 있어요.
여러 앱을 설치할 필요
없이, 오늘학습 하나로
모든 시험을 준비할 수 있어요.

다양한 문제 유형으로 만드는
나만의 단어장&문제집

기출 외에도 외워야 하는 내용은
객관식, 주관식, 카드, 빈칸
등 다양한 형식으로
직접 만들어 보세요. 내 학습 스타일에
맞게
나만의 단어장과 문제집을 만들 수 있어요.

시험별 체계적인
문제 관리

시험에 문제를 추가해 체계적으로
관리할 수 있어요.
주제나 단원별로
분류하고 싶다면,
시험에 챕터를 만들어
문제를 추가할 수도 있어요.

수십만 명이
오늘학습을 사랑합니다

앱 스토어 평점 4.9
구글 플레이 평점 4.8
누적 회원수 100,000+
지금 오늘학습을
시작해보세요
지금 시작하기
문제 선택