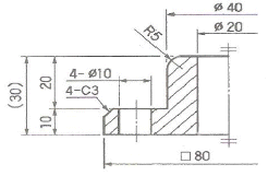
다음 그림에 대한 설명으로 옳은 것은?
지금 시작하기 →

・・・ 문제은행 컴퓨터응용밀링기능사(2016년 2회) 21번

컴퓨터응용밀링기능사 2016년 04월 21번

다음 그림에 대한 설명으로 옳은 것은?

1
참고 치수로 기입한 곳이 2곳이 있다.
2
45° 모따기의 크기는 4mm이다.
3
지름이 10mm인 구멍이 한 개 있다.
4
□80은 한 변의 길이가 80mm인 정사각형이다.
단축키
이전 문제로 이동은 키를 누르고, 다음 문제로 이동은 키를 누르세요
이전 문제 , 다음 문제
문제(60)
37 다음 중 연강과 같은 연질의 공작물을 초경합금바이트로써 고속 절삭을 할 때에는 칩(chip)이 연속적으로 흘러나오게 되어 위험하므로 칩을 짧게 끊기 위한 방법으로 가장 적합한 것은? 38 센터리스 연삭기의 특징으로 틀린 것은? 39 공구는 상하 직선 왕복운동을 하고 테이블은 수평면에서 직선운동과 회전운동을 하여 키 홈, 스플라인, 세레이션 등의 내경가공을 주로 하는 공작기계는? 40 다음 중 디스크, 플랜지 등 길이가 짧고 지름이 큰 공작물 가공에 가장 적합한 선반은? 41 다음 중 구성인선(built-up-edge)의 방지대책으로 옳은 것은? 42 직사각형의 숫돌을 스프링으로 축에 방사형으로 부착한 원통형태의 공구로 회전운동과 동시에 왕복운동을 시켜, 원통의 내면을 가공하는 가공법은? 43 CNC공작기계에서 입력된 정보를 펄스화 시켜 서보기구에 보내어 여러 가지 제어역할을 하는 것은? 44 다음 중 CNC선반에서 아래와 같이 절삭할 때, 단차제거를 위해 사용하는 기능은? 45 CNC공작기계에서 일반적으로 많이 발생하는 알람해제 방법이 잘못 연결된 것은? 46 작업장 안전에 대한 내용으로서 틀린 것은? 47 머시닝센터에서 보링으로 가공한 내측 원의 중심을 공작물의 원점으로 세팅하려고 한다. 다음 중 원의 내측중심을 찾는데 적합하지 않은 것은? 48 CNC공작기계에 사용되는 서보모터가 구비하여야 할 조건 중 틀린 것은?
App Store Google Play
오늘학습 예시 이미지

시험에 합격하려면
복습을 제대로 해야 합니다.

오늘학습은 스스로 기억을 떠올리고 계획적으로 복습할 수 있도록 설계돼 있어요.
그것도, 가장 과학적인 방식으로요!

능동적 회상

능동적 회상
(Active Recall)

배운 내용을 단순 읽으며 반복하는 것이 아니라,
능동적으로 기억하고 있는지를
스스로 테스트하며
공부할 수 있는
학습 환경을 제공해 학습 효과를 높여요

간격 반복 학습

간격 반복 학습
(Spaced Repetition)

에빙하우스 망각곡선을 바탕으로
가장 최적의 시점에 복습을 제공하여
배운 내용이 잊히지 않도록 장기 기억화해요

Data 기반의
뇌과학적 복습 시스템

학습 결과 Data를 분석해, 문제별 최적화된
반복 학습량을
자동으로 분배해요.
학습에 소요되는 시간을 최소화하는
동시에
단기 기억을 장기 기억으로 전환해줘요.

36만 개 이상의
기출문제 무료 제공

공무원 및 약 300여종의 자격증 시험 기출문제
36만개
이상을 무료로 이용할 수 있어요.
여러 앱을 설치할 필요
없이, 오늘학습 하나로
모든 시험을 준비할 수 있어요.

다양한 문제 유형으로 만드는
나만의 단어장&문제집

기출 외에도 외워야 하는 내용은
객관식, 주관식, 카드, 빈칸
등 다양한 형식으로
직접 만들어 보세요. 내 학습 스타일에
맞게
나만의 단어장과 문제집을 만들 수 있어요.

시험별 체계적인
문제 관리

시험에 문제를 추가해 체계적으로
관리할 수 있어요.
주제나 단원별로
분류하고 싶다면,
시험에 챕터를 만들어
문제를 추가할 수도 있어요.

수십만 명이
오늘학습을 사랑합니다

앱 스토어 평점 4.9
구글 플레이 평점 4.8
누적 회원수 100,000+
지금 오늘학습을
시작해보세요
지금 시작하기
문제 선택