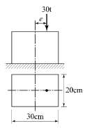
다음과 같은 단주에서 편심거리 e에 P=30t이 작용할 때 단면에 인장력이 생기지 않기 위한 e의 한계는?
1
3.3cm
2
5cm
3
6.7cm
4
10cm